| MODEL NO |
長 |
寬 |
高 |
KG |
2D |
3D |
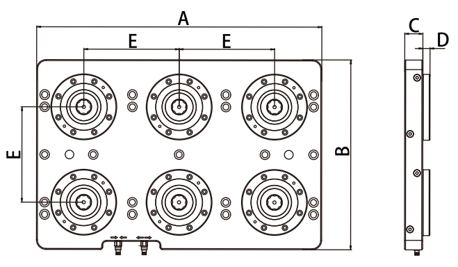
ZPCS-73510628
Features table 訂貨編號 Ref | 尺寸號 Size | 夾緊力 Holding power KN | 拉緊力 Retaining power KN | 重量 Weight kG | 解鎖方式 Opening Vethod | ZPCS-73510628 | C10 | 6x10 | 6x25 | 40.5 | 氣壓 pneumatic |
Dimensions table 訂貨編號 Ref | 尺寸號 Size | A | B | C | D | E
| ZPCS-73505428 | C10 | 570 | 370 | 32 | 10 | 200
|

|
570 |
370 |
42 |
40.5 |
download
|
download
|
ZPCS-7351062D
Features table 訂貨編號 Ref | 尺寸號 Size | 夾緊力 Holding power KN | 拉緊力 Retaining power KN | 重量 Weight kG | 解鎖方式 Opening Vethod | ZPCS-73520628 | C20 | 6x17 | 6x55 | 70 | 氣壓 pneumatic |
Dimensions table 訂貨編號 Ref | 尺寸號 Size | A | B | C | D | E
| ZPCS-73520628 | C20 | 598 | 398 | 38 | 15 | 200
|

|
570 |
370 |
62 |
63.9 |
download
|
download
|
ZPCS-73510629*
Features table 訂貨編號 Ref | 尺寸號 Size | 夾緊力 Holding power KN | 拉緊力 Retaining power KN | 重量 Weight kG | 解鎖方式 Opening Vethod | ZPCS-73510629* | C10 | 6x15 | 6x30 | 40.5 | 液壓 Hydraulic |
Dimensions table 訂貨編號 Ref | 尺寸號 Size | A | B | C | D | E
| ZPCS-73510629* | C10 | 570 | 370 | 28 | 10 | 200
|

|
570 |
370 |
38 |
40.5 |
download
|
download
|
ZPCS-73520629*
Features table 訂貨編號 Ref | 尺寸號 Size | 夾緊力 Holding power KN | 拉緊力 Retaining power KN | 重量 Weight kG | 解鎖方式 Opening Vethod | ZPCS-73520629* | C20 | 6x25 | 6x60 | 70 | 液壓 Hydraulic |
Dimensions table 訂貨編號 Ref | 尺寸號 Size | A | B | C | D | E
| ZPCS-73520629* | C20 | 598 | 398 | 38 | 15 | 200
|

|
598 |
398 |
53 |
70 |
download
|
download
|